©
www.1600i.de
Created 18.05.2009
Schaltpläne Easy Trike 97
Vielen Dank dafür an Roman und Jörg.
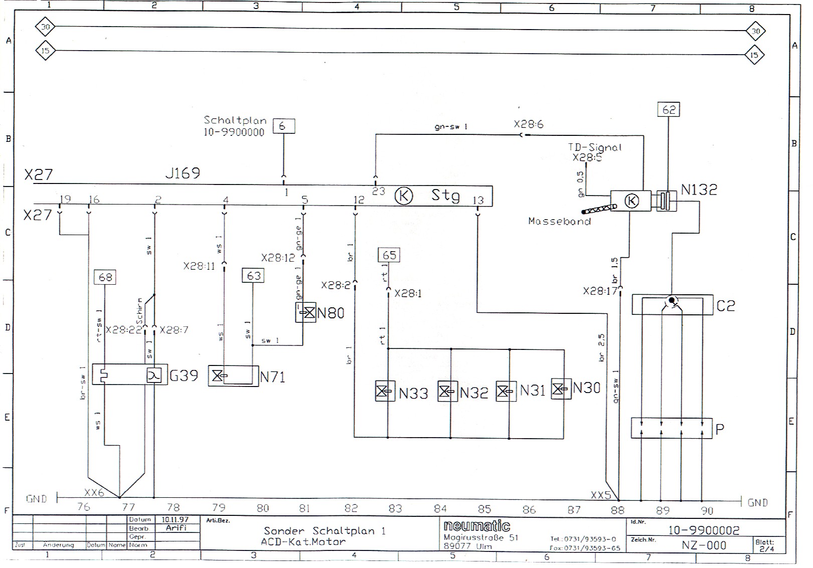
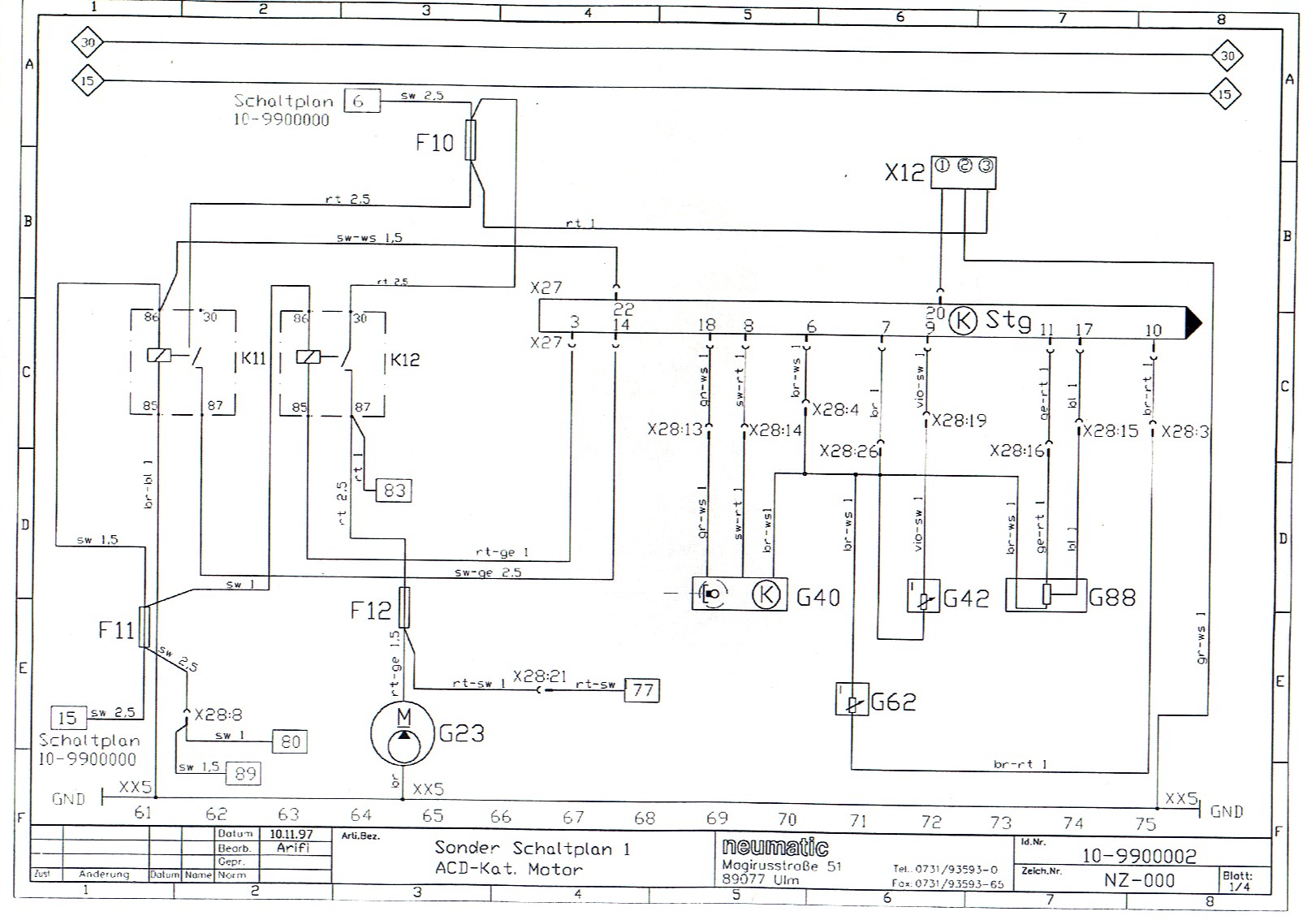
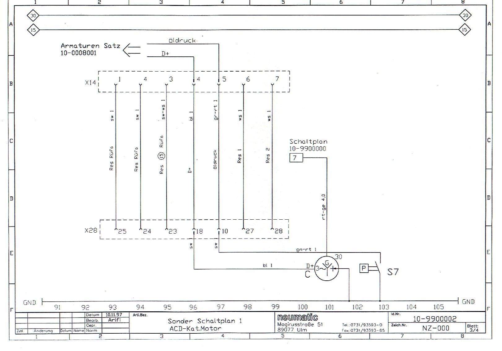
| Sonder Schaltplan 1 ACD-Kat Motor 10.11.97 |
|
|
 |
 |
 |
 |
|
|
Seite 1 von 4 |
Seite 2 von 4 |
Seite 3 von 4 |
Seite 4 von 4 |
|
|
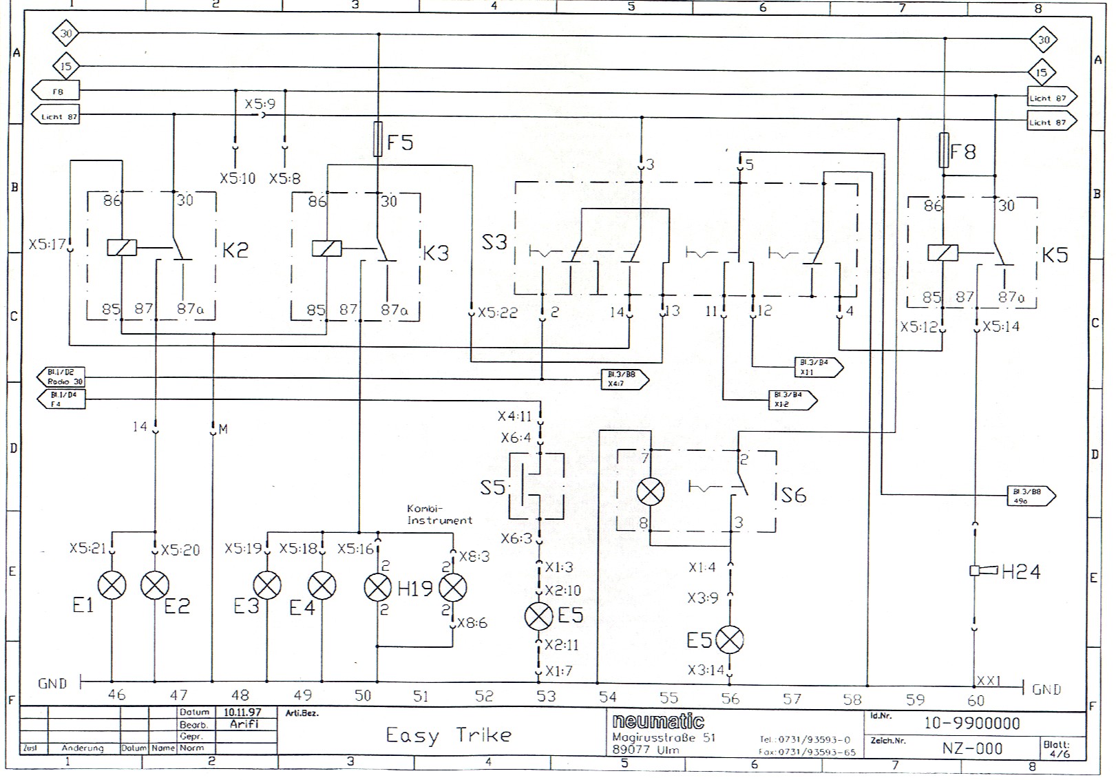
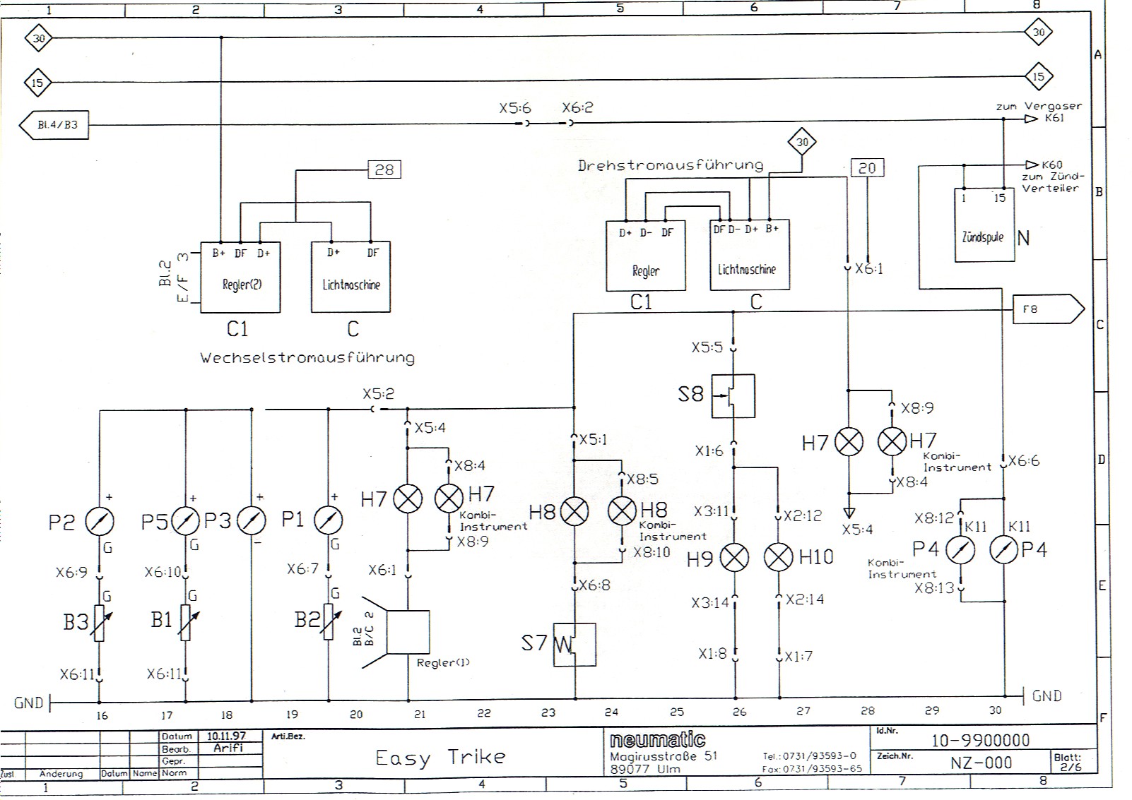
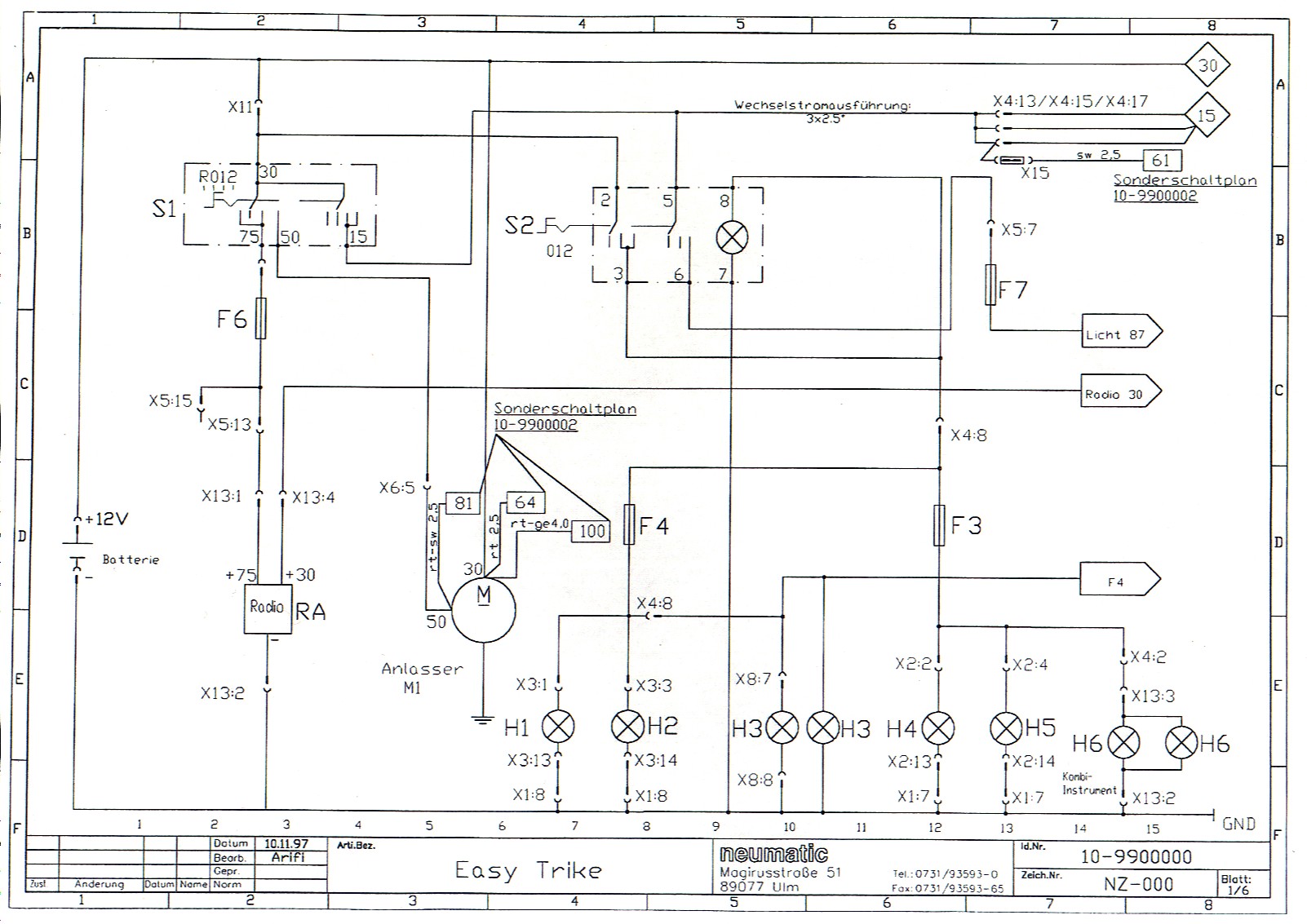
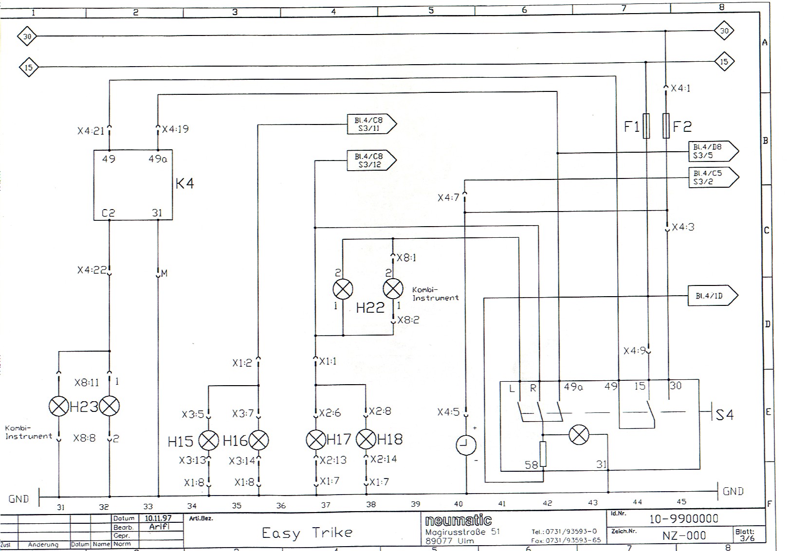
| Standardverkabelung |
|
|
 |
 |
 |
 |
|
|
Seite 1 von 6 |
Seite 2 von 6 |
Seite 3 von 6 |
Seite 4 von 6 |
|
|
 |
 |
|
|
|
|
Seite 5 von 6 |
Seite 6 von 6 |
|
|
|
|
Das Relais K11 (sitzt neben dem Steuergerät) ist zur
Spannungsversorgung des Steuergerätes.